Ist ja auch kein VW ![]()
Audi 80 mit V8
-
-
Jonny ich hab mir meinen Kommentar gespart
aber wen cag behauptet das es einen d11 nicht gibt ohne nur danach gegoogelt zuhaben könnt ich
gibt's den kein VW forum in den du über die Existenz eines mk3 diskutieren kannst
Vil. Würde es dir in so nen forum besser gehen
ein VW ist kein audi genauso wie Mini kein BMW ist
-
-
http://www.ebay.de/itm/Origina…iert-Unikat-/322012318706
.^. Bin gespannt wie viel € am Ende der Auktion dabei rumkommt!
Aufjedenfall ein schickes Auto, das eine Interessante Geschichte mit sich bringt.
. -
Hört mal auf mit diesen Diskussionen. In WiKi steht dieses, und das ist ein Fakt!
"Der Audi V8 basierte auf dem Audi 100 C3/200 Typ 44 und wurde bis 1994 insgesamt etwa 21.000 mal produziert.
Der werksinterne Code lautete D11"
-
der RS2 ist auch ein Audi 80 avant jedoch 2 Grundverschiedene Autos Technisch betrachtet

-
...der RS2 ist ein P1 von der ARGE Audi-Porsche

-
Über die Existenz der D11 Bezeichnung braucht man hier nicht diskutieren... führt doch zu nichts.
Es gibt mittlerweile auch im Audi/VW Autohaus genug Mitarbeiter, die mit den Bezeichnungen Audi 80 und 100 nichts anfangen können und wenn man dann noch mit einem S4 C4 ankommt ist alles zu spät
(dürfte ähnlich beim S2 dort laufen).Frage kann aber klar beantwortet werden, es gab keinen Serien Audi 80 mit V8. Nur Umbauten bzw. Fahrzeuge von Tunern oder eventuelle Studien in versteckten Entwicklerräumen.
-
Über die Existenz der D11 Bezeichnung braucht man hier nicht diskutieren... führt doch zu nichts.
Es gibt mittlerweile auch im Audi/VW Autohaus genug Mitarbeiter, die mit den Bezeichnungen Audi 80 und 100 nichts anfangen können und wenn man dann noch mit einem S4 C4 ankommt ist alles zu spät
(dürfte ähnlich beim S2 dort laufen).Frage kann aber klar beantwortet werden, es gab keinen Serien Audi 80 mit V8. Nur Umbauten bzw. Fahrzeuge von Tunern oder eventuelle Studien in versteckten Entwicklerräumen.
Da hat mir ein Bekannter neulich auch eine eher traurige Geschichte erzählt.
Er wollte für seinen S2 bei Audi ein Ersatzteil kaufen, daraufhin der Audi-Mitarbeiter nur: "Einen Audi S2 gibt es nicht! Der A2 wurde nämlich nie als S-Variante gebaut..."
-
A2 als Variant? Nie gesehen....

-
Gab es, wwar aber sehr selten.
googel mal weigel k1, so heißt das ding

Gab es, wwar aber sehr selten.
googel mal weigel k1, so heißt das ding

Also verstehe ich das richtig das es den Audi 80 nicht original von Audi mit einem V8 gab sondern von Weigel umgebaut? -
Ja genau. Hab mich da etwas verdrückt ausgekehrt

-
Da hat mir ein Bekannter neulich auch eine eher traurige Geschichte erzählt.
Er wollte für seinen S2 bei Audi ein Ersatzteil kaufen, daraufhin der Audi-Mitarbeiter nur: "Einen Audi S2 gibt es nicht! Der A2 wurde nämlich nie als S-Variante gebaut..."
ist mir genauso gegangen.... der Mitarbeiter meinte es gibt keinen Audi s2 als ich dann zu ihm Audi 80 Avant quattro bj 1994 mit 230ps sagte hat er sich ausgekannt

-
komisch bei meinen freundlichen vor Ort fährt fast die ganze Belegschaft Audis und VW älter als 20 Jahre
die schauen eher dann blöd wenn einer was für so nen Kotzkübel wie den A2 braucht
-
Stefan du wohnst ja auch in einer Gegend wo man noch Wert auf die guten alten Sachen legt

-
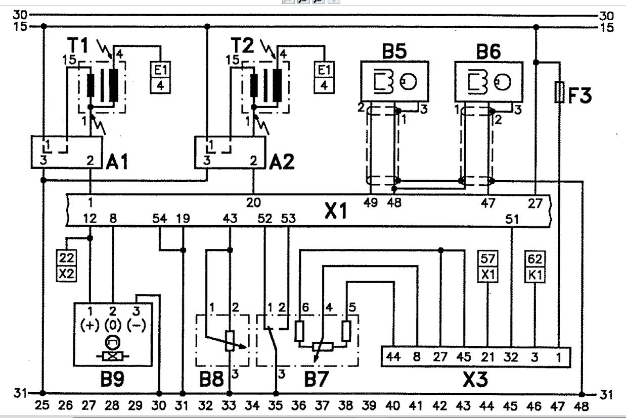
Moin Leute,
ich bin gerade dabei meinen 80er Quattro B4 auf V8 umzubauen.
Es ist ein 4,2 ABH aus einem Audi 100 S4 Schalter
hab schon alles drin, motor mit getriebe usw.
jez muss ich den kabelbaum umstricken und weiss nicht so genau wie .
ich habe die schaltpläne von beiden autos.ich muss ja irgendwie jez einzig und allein die stecker die an sicherungskasten umbauen weil das andere ja nur die sensoren sind und das steuergerät. das bleibt ja so wie es ist.
nur ich hab jez mehr kabel als vorher und hab keine lust da was falsch zu machen.
kann mir da einer vielleicht helfen oder n tipp geben?im grunde genommen muss ich ja nur auf dem schaltplan gucken welche kabel an klemme 15, 30 und 31 ran gehen
-
-
ups hab eins vergessen
-
Hat da niemand n Tipp für mich?
-
Nein, nicht direkt, aber...
Wenn du ein Kabel über hast, heisst das, dass du alle anderen schon hast?
Dann druck dir die Schaltpläne aus, leg sie hin und markiere (vllt. in Farben) was du schon wohin verbunden hast.Dann siehst du ja schnell was über bleibt... wenn du dann nach dem einen fragst, ist es für Außenstehende deines Projektes einfacher.
Jetzt mitmachen!
Sie haben noch kein Benutzerkonto auf unserer Seite? Registrieren Sie sich kostenlos und nehmen Sie an unserer Community teil!