- Servus zusammen!
Ich versuche gerade, die Klimaanlage meines S2 BJ 93 in Gang zu bringen und habe die Teile mittlerweile eigentlich auch alle zusammen.
Allerdings hab ich jetzt anscheinend schon zum dritten mal die falschen O-Ringe bestellt.
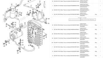
Und zwar geht es um die Nummer 11 im Bild.
Laut ETKA haben diese die Maße von 14x1,8. Ich habe aber auch schon die Teilenummer 8E0 260 749 D bestellt, die sie scheinen nicht wirklich zu passen...
Die alten Ringe haben auch eher die Maße von ungefähr 16x2,5Kann mir hier jemand helfen und weiß, welche hier die richtigen O-Ringe sind?
Besten Dank im Voraus und viele Grüße
Cornel
S2 , O-Ringe Klimaanlage passen nicht
-
-
-
Irgendwie finde ich den S2 im ETKA nicht.
Aber hast du mal die O-Ringe mit etwas Kompressorenöl benetzt.
Trocken wird es ggf. schwierig.
Und von einem x Jahre alten O-Ring Maße zu entnehmen halt ich für schwierig. -
Jeder gut sortierte Eisenwarenhändler oder Sanitärfachgeschäft müsste so etwas haben; aber auch ein KFz Zugehör Laden.
-
Irgendwie finde ich den S2 im ETKA nicht.
Für den S2 - hier ist vermutlich der B4 Avant oder die Limousine gemeint - gibt es keine eigene Liste. Die sind beim "AUDI 80/90/Avant quattro (A80Q)" gelistet.
Ich würde auch keine "normalen" O-Ringe aus z.B. NBR in eine Klimaanlage einbauen, die es beim "Eisenwarenhändler oder Sanitärfachgeschäft" gibt.
Da gehören Dichtringe aus HNBR rein!@ TE:
Sicher, dass Du eine R134a-Anlage hast? Die von Dir genannte Teilenummer gehört zu Fahrzeugen ab FIN 8C_P_100001 -
Erstmal danke für die schnellen Anworten!
Die hab ich bestellt. Passen aber m.E. nicht.
Ich habe u.a. einen neuen Trockner gekauft und da war ein neuer O-Ring dabei. An dem hab ich die 16x2,5 gemessen, wobei es eher schwierig ist, die Maße eines O-Rings exakt zu messen. Daher die Frage...
Irgendwie finde ich den S2 im ETKA nicht.
Aber hast du mal die O-Ringe mit etwas Kompressorenöl benetzt.
Trocken wird es ggf. schwierig.
Und von einem x Jahre alten O-Ring Maße zu entnehmen halt ich für schwierig.Auf dem Bild ist der ETKA-Auszug und oben steht auch der Pfad.
Die Maße hab ich an dem O-Ring abgenommen, der beim Trockner dabei war. Der passt aus meiner Sicht auch, aber ich habe halt keine exakten Maße, um noch welche zu kaufen...
Ich kann später gerne Bilder der beiden in der Einbaulage machen, dann versteht man da Problem denke ich besser.
Ich dachte, es hatte evtl. schon mal jemand das selbe Problem
Jeder gut sortierte Eisenwarenhändler oder Sanitärfachgeschäft müsste so etwas haben; aber auch ein KFz Zugehör Laden.Das wär nicht das Problem, aber ich hab ja keine Maße.
Bzw. die mit den Maßen/Teilenummer aus dem ETKA passen aus meiner Sicht nicht -
Für den S2 - hier ist vermutlich der B4 Avant oder die Limousine gemeint - gibt es keine eigene Liste. Die sind beim "AUDI 80/90/Avant quattro (A80Q)" gelistet.
Ich würde auch keine "normalen" O-Ringe aus z.B. NBR in eine Klimaanlage einbauen, die es beim "Eisenwarenhändler oder Sanitärfachgeschäft" gibt.
Da gehören Dichtringe aus HNBR rein!@ TE:
Sicher, dass Du eine R134a-Anlage hast? Die von Dir genannte Teilenummer gehört zu Fahrzeugen ab FIN 8C_P_100001Ja genau, läuft unter B4 Avant Quattro
Und ja, unter der Motorhaube ist ein Aufkleber mit R134a
Meine FIN ist die 8CZPA182...Danke und Gruß
Cornel -
Die Maße hab ich an dem O-Ring abgenommen, der beim Trockner dabei war.
Sicher, dass Du den richtigen Trockner hast?
Zum Trockner vom 6-Zylinder gehören O-Ringe 17,2X1,82 -
Sicher, dass Du den richtigen Trockner hast?
Zum Trockner vom 6-Zylinder gehören O-Ringe 17,2X1,82Den hab ich auch nach ETKA-Teilenummer bestellt.
Und der Ring, der da dabei war, ist auch von den Maßen ziemlich gleich zu den alten... -
Den hab ich auch nach ETKA-Teilenummer bestellt.
Und da wird das Problem liegen!
Lt. ETKA haben Dein S2 und meine V6 den gleichen Trockner 8A0820193AB und zu dem gehören beim V6 die von mir genannten Dichtringe 17,2X1,82 (7H0820749). -
Schaut euch die Links an, da steht auch drin, ab oder bis zu welcher Fahrgestellnummer. Beim 1993er ist teilweise ein anderer Dichtring verbaut, als beim 1995er...
-
1995 Klimaanlage 5-Zylinder1993 Klimaanlage 5-Zylinder
Schaut euch die Links an, da steht auch drin, ab oder bis zu welcher Fahrgestellnummer. Beim 1993er ist teilweise ein anderer Dichtring verbaut, als beim 1995er...
Also zumindest die Nr. 11 hat immer die Nummer 8E0 260 749 D und die Größe 14X1,8
-
Zitat von »cornflex«
Den hab ich auch nach ETKA-Teilenummer bestellt.
Und da wird das Problem liegen!
Lt. ETKA haben Dein S2 und meine V6 den gleichen Trockner 8A0820193AB und zu dem gehören beim V6 die von mir genannten Dichtringe 17,2X1,82 (7H0820749).Das wäre aber dann hier die Nr. 12...
-
Das wäre aber dann hier die Nr. 12...
Ich lese bei der Nr. 12 "16,7x1,82" und die Teilenummer ist auch eine andere.
Jetzt mitmachen!
Sie haben noch kein Benutzerkonto auf unserer Seite? Registrieren Sie sich kostenlos und nehmen Sie an unserer Community teil!